-
Электрика
-
Розетки
- Бюджетные розетки
- Средний ценовой сегмент
- Розетки премиум класса
- Наружные розетки
- Коллекции Ретро
- Коллекции Viko
- Коллекции Legrand
- Коллекции Schneider
- Коллекции Gunsan
- Коллекции Panasonic
- Коллекции Simon
- Коллекции розеток JUNG
- АВВ серия Basic 55
- АВВ серия Cosmo
- Lezard серия Vesna
- Lezard серия Mira
- Liregus серия Epsilon
- Диммеры - светорегуляторы
- Оптические розетки
-
Тёплый пол
-
Терморегуляторы
-
Ретро
-
Автоматика
-
Боксы, щитки
-
Стабилизаторы напряжения
-
Аксессуары для электрики
- Динрейки - Гребёнки
- Коробки
- Шины
- Клеммники,СИЗы
- Кабельные вводы
- Наконечники НШВИ
- Крепёж
- Стяжки
- Фурнитура
- Аксессуары для электрики
-
Различные аксессуары для электрики... -
Приборы учёта
-
Бесперебойное питание
-
- Освещение
- Кабельная продукция
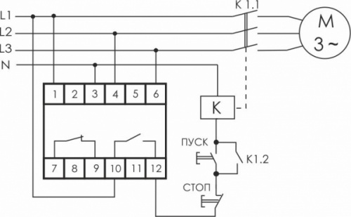
Реле контроля фаз CZF-312
|
Реле контроля фаз CZF-312 3х400/230+N 8А 1NO,NC IP20
Реле контроля фаз используется для защиты электродвигателей и электроустановок, питаемых от трехфазной сети в случаях: отсутствия хотя бы одной из фаз, при асимметрии напряжения.Характеристики
Номинальный ток, А |
8 |
Количество модулей |
1 |
Степень защиты |
RTII |
Глубина, мм |
65 |
Габариты, мм |
18х90х65 |
Номинальный ток контактов, А |
8 |
Способ монтажа |
на DIN-рейку |
Диапазон напряжений, В |
160 |
Номинальное напряжение питания цепи управления Us AC 50 Гц, В |
230 |
Номинальное напряжение питания цепи управления Us AC 60 Гц, В |
230 |
Количество вспомогательных нормально замкнутых (НЗ, NC) контактов |
1 |
Количество нормально разомкнутых (НО, NO) силовых контактов |
1 |
Сферы специального применения |
Промышленное использование |
Минимальная задержка на включение, с |
3 |
Максимальная задержка на включение, с |
3 |
Минимальная задержка на отключение, с |
0,1 |
Максимальная задержка на отключение, с |
0,5 |
Контроль чередования фаз |
Нет |
Контроль обрыва фаз |
Да |
Контроль минимального напряжения |
Да |
Контроль максимального напряжения |
Нет |
Контроль перекоса фаз |
Да |
Тип электрического подключения |
Винтовое соединение |
Со съемными клеммами |
Нет |
Диапазон измеряемого напряжения №1, В |
160 |
Диапазон измеряемого напряжения №2, В |
230-400 |
Контроль минимального однофазного напряжения |
Нет |
Контроль минимального трехфазного напряжения |
Да |
Контроль максимального однофазного напряжения |
Нет |
Контроль максимального трехфазного напряжения |
Нет |
Функция гистерезиса для однофазного напряжения |
Нет |
Функция гистерезиса для трехфазного напряжения |
Да |
Контроль минимального напряжения при постоянном токе |
Нет |
Функция гистерезиса для напряжения при постоянном токе |
Нет |
Уровень напряжения при срабатывании, В |
160 |
Тип напряжения управления |
AC |
Время ВКЛ/ВЫКЛ, мс |
7/3 |
Электрическая долговечность |
100∙103 |
Механическая долговечность |
10∙106 |
Температура окружающей среды, °С |
-40…+85 |
Стандартный материал контактов |
AgNi |
Номинальное напряжение контактов, В |
250АС |
Номинальная нагрузка АС1, ВА |
2000 |
Номинальное напряжение питания, Un |
230АС |
Страна производитель |
Республика Беларусь |
Конфигурация контактов |
2CO |
Контроль обрыва нулевого провода |
Да |
Контроль асимметрии фаз |
Да |
Изоляция между катушкой и контактами (1.2/50 мкс), кВ |
6 |
Максимальный пиковый ток контактов, А |
15 |
Максимальное напряжение контактов, В |
400АС |
Минимальная коммутируемая мощность , мВт(В/мА) |
300(5/5) |
Номинальная нагрузка АС15 ( на контакт 230 В АС), ВА |
400 |
Допустимая мощность однофазного двигателя (230 В АС), кВт |
0,3 |
Номинальная мощность АС/DС, ВА/Вт |
1,2/- |
Прочие характеристики | ||
Производитель | ЕвроАвтоматика | |
Номинальный ток | 8A | |
Количество модулей | 1 | |
Степень защиты | RTII | |
Номинальное напряжение | 230В | |
Диапазон напряжений | 160В | |
Габариты | 18х90х65 мм |