-
Электрика
-
Розетки
- Бюджетные розетки
- Средний ценовой сегмент
- Розетки премиум класса
- Наружные розетки
- Коллекции Ретро
- Коллекции Viko
- Коллекции Legrand
- Коллекции Schneider
- Коллекции Gunsan
- Коллекции Panasonic
- Коллекции Simon
- Коллекции розеток JUNG
- АВВ серия Basic 55
- АВВ серия Cosmo
- Lezard серия Vesna
- Lezard серия Mira
- Liregus серия Epsilon
- Диммеры - светорегуляторы
- Оптические розетки
-
Тёплый пол
-
Терморегуляторы
-
Ретро
-
Автоматика
-
Боксы, щитки
-
Стабилизаторы напряжения
-
Аксессуары для электрики
- Динрейки - Гребёнки
- Коробки
- Шины
- Клеммники,СИЗы
- Кабельные вводы
- Наконечники НШВИ
- Крепёж
- Стяжки
- Фурнитура
- Аксессуары для электрики
-
Различные аксессуары для электрики... -
Приборы учёта
-
Бесперебойное питание
-
- Освещение
- Кабельная продукция
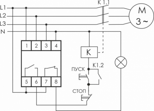
Реле контроля наличия и чередования фаз CKF-BR
|
Реле контроля наличия и чередования фаз CKF-BR 3х400/230+N 2х8А 1NO, 1NC IP20
Реле контроля и наличия, чередования фаз предназначено для защиты электродвигателей и электроустановок, питаемых от трехфазной сети в случаях: отсутствия хотя бы одной из фаз, асимметрии напряжения, нарушения чередования фаз.Характеристики
Номинальный ток, А |
8 |
Количество модулей |
2 |
Степень защиты |
IP20 |
Глубина, мм |
65 |
Габариты, мм |
35х90х65 |
Номинальный ток контактов, А |
25 |
Способ монтажа |
на DIN-рейку |
Номинальное напряжение питания цепи управления Us AC 50 Гц, В |
230 |
Номинальное напряжение питания цепи управления Us AC 60 Гц, В |
230 |
Количество вспомогательных нормально замкнутых (НЗ, NC) контактов |
1 |
Количество нормально разомкнутых (НО, NO) силовых контактов |
1 |
Сферы специального применения |
Промышленное использование |
Минимальная задержка на включение, с |
3 |
Максимальная задержка на включение, с |
3 |
Минимальная задержка на отключение, с |
0,1 |
Максимальная задержка на отключение, с |
15 |
Контроль чередования фаз |
Да |
Контроль обрыва фаз |
Да |
Контроль минимального напряжения |
Нет |
Контроль максимального напряжения |
Нет |
Контроль перекоса фаз |
Да |
Тип электрического подключения |
Винтовое соединение |
Со съемными клеммами |
Нет |
Тип напряжения управления |
AC |
Время ВКЛ/ВЫКЛ, мс |
30/20 |
Электрическая долговечность |
30∙103 |
Механическая долговечность |
2∙106 |
Температура окружающей среды, °С |
-20…+50 |
Стандартный материал контактов |
AgSnO2 |
Номинальное напряжение контактов, В |
250АС |
Номинальный ток АС3/AC-7b, А |
10 |
Номинальное напряжение питания, Un |
230АС/DC |
Страна производитель |
Республика Беларусь |
Конфигурация контактов |
1NO+1NC |
Контроль обрыва нулевого провода |
Да |
Контроль асимметрии фаз |
Да |
Изоляция между катушкой и контактами (1.2/50 мкс), кВ |
6 |
Максимальный пиковый ток контактов, А |
120 |
Максимальное напряжение контактов, В |
440АС |
Минимальная коммутируемая мощность , мВт(В/мА) |
1000(10/10) |
Номинальная нагрузка АС15 ( на контакт 230 В АС), ВА |
1800 |
Номинальная нагрузка АС1/AC-7a (на контакт при 250 В), ВА |
6250 |
Номинальный ток АС-7с, А |
10 |
Номинальная нагрузка АС-5а (на контакт при 250 В), В |
15 |
Допустимая мощность однофазного двигателя (230 В АС), кВт |
1 |
Номинальная мощность АС/DС, ВА/Вт |
2/2,2 |
Прочие характеристики | ||
Производитель | ЕвроАвтоматика | |
Номинальный ток | 8A | |
Номинальный ток контактов | 25A | |
Количество модулей | 2 | |
Степень защиты | IP20 | |
Номинальное напряжение | 230В | |
Габариты | 35х90х65 мм |