Выберите модификацию товара.
Изображение
Товар добавлен в корзину.
Изображение товара
Кол-во:
Стоимость: Р-
Итого:  Руб.
ЕвроАвтоматика

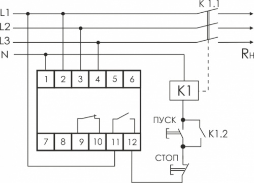
Реле контроля напряжения CP-731

  • Реле контроля напряжения CP-731
  • Реле контроля напряжения CP-731
  • Реле контроля напряжения CP-731
  • Реле контроля напряжения CP-731
Технические характеристики:
  • Производитель ЕвроАвтоматика
    Номинальный ток 8A
    Количество модулей 3
    Степень защиты IP20
    Габариты 52,5х63х90 мм
Все характеристики
Описание товара:

Реле контроля напряжения CP-731 3х400/230+N 2х8А 1NO, 1NC IP20

Реле напряжения предназначено для непрерывного контроля величины напряжения переменного тока в трехфазной сети и защиты электроустановок, электроприборов путем отключения напряжения питания при выходе его за установленные пределы.

Характеристики

Номинальный ток, А
8
Количество модулей
3
Степень защиты
IP20
Глубина, мм
90
Габариты, мм
52,5х63х90
Номинальный ток контактов, А
6
Способ монтажа
на DIN-рейку
Номинальное напряжение питания цепи управления Us AC 50 Гц, В
150-450
Номинальное напряжение питания цепи управления Us AC 60 Гц, В
230
Сферы специального применения
Промышленное использование
Минимальная задержка на включение, с
2
Максимальная задержка на включение, с
600
Минимальная задержка на отключение, с
0,1
Максимальная задержка на отключение, с
0,5
Контроль чередования фаз
Да
Контроль обрыва фаз
Да
Контроль минимального напряжения
Да
Контроль максимального напряжения
Да
Тип электрического подключения
Винтовое соединение
Со съемными клеммами
Нет
Диапазон измеряемого напряжения №1, В
150-210
Диапазон измеряемого напряжения №2, В
230-260
Контроль минимального однофазного напряжения
Нет
Контроль минимального трехфазного напряжения
Да
Контроль максимального однофазного напряжения
Нет
Контроль максимального трехфазного напряжения
Да
Контроль максимального напряжения при постоянном токе
Нет
Функция гистерезиса для однофазного напряжения
Да
Функция гистерезиса для трехфазного напряжения
Да
Контроль минимального напряжения при постоянном токе
Нет
Функция гистерезиса для напряжения при постоянном токе
Нет
Уровень напряжения при срабатывании, В
150-260
Тип напряжения управления
AC
Время ВКЛ/ВЫКЛ, мс
5/6
Электрическая долговечность
60∙103
Механическая долговечность
10∙106
Температура окружающей среды, °С
-40…+70
Стандартный материал контактов
AgNi
Номинальное напряжение контактов, В
250АС
Номинальная нагрузка АС1, ВА
1500
Номинальное напряжение питания, Un
240АС/DC
Страна производитель
Республика Беларусь
Конфигурация контактов
1CO
Контроль обрыва нулевого провода
Да
Контроль асимметрии фаз
Да
Изоляция между катушкой и контактами (1.2/50 мкс), кВ
6
Максимальный пиковый ток контактов, А
10
Максимальное напряжение контактов, В
400АС
Минимальная коммутируемая мощность , мВт(В/мА)
500(12/10)
Номинальная нагрузка АС15 ( на контакт 230 В АС), ВА
300
Допустимая мощность однофазного двигателя (230 В АС), кВт
0,185
Номинальная мощность АС/DС, ВА/Вт
1,0/0,9
Технические характеристики:
Прочие характеристики
Производитель ЕвроАвтоматика
Номинальный ток 8A
Количество модулей 3
Степень защиты IP20
Габариты 52,5х63х90 мм

Ваша оценка:
Отправить отзыв
Похожие товары
Купить в один клик
Отправить заказ


Корзина 0 Обратная связь

Интернет-гипермаркет ProMart.by — Минск, Беларусь — © ООО ПромартБай